92 GMC Sonoma Engine Diagram
.2007 Camry Fuse Box Problems
.2005 Buick Lacrosse Fuse Box Under The Hood
.1984 Ford Diesel Alternator Wiring Diagram
.Pictures Of The Front Of The Horse Harness
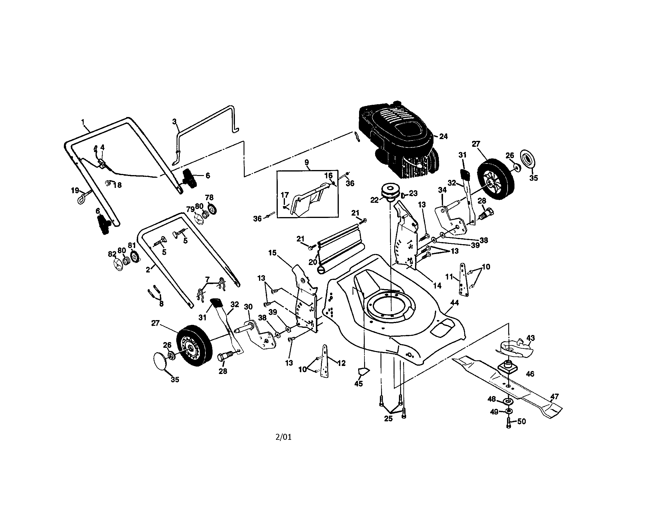
.Here I list a few of top rated rotary lawn mower engine diagram photos on internet. We noticed it from reliable source. It is published by Brenda Botha in the best field. We think this kind of rotary lawn mower engine diagram photo could possibly be most trending niche once we share it in google plus or twitter.
We attempt to presented in this article because this may be one of excellent reference for any rotary lawn mower engine diagram ideas. Dont you come here to determine some new unique rotary lawn mower engine diagram ideas? We actually hope you can approve it as one of your reference and many thanks for your free time for surfing our blog. Please share this image to your loved friends, families, society via your social networking such as facebook, google plus, twitter, pinterest, or any other social bookmarking sites.






