65 Ford Thunderbird Ignition Wiring Diagram
.RX-8 Head Unit Wiring Diagram
.2002 GMC Sierra 3500 Wiring Schematic
.Motorhome Wire Harness
.Shoulder-chest-harness
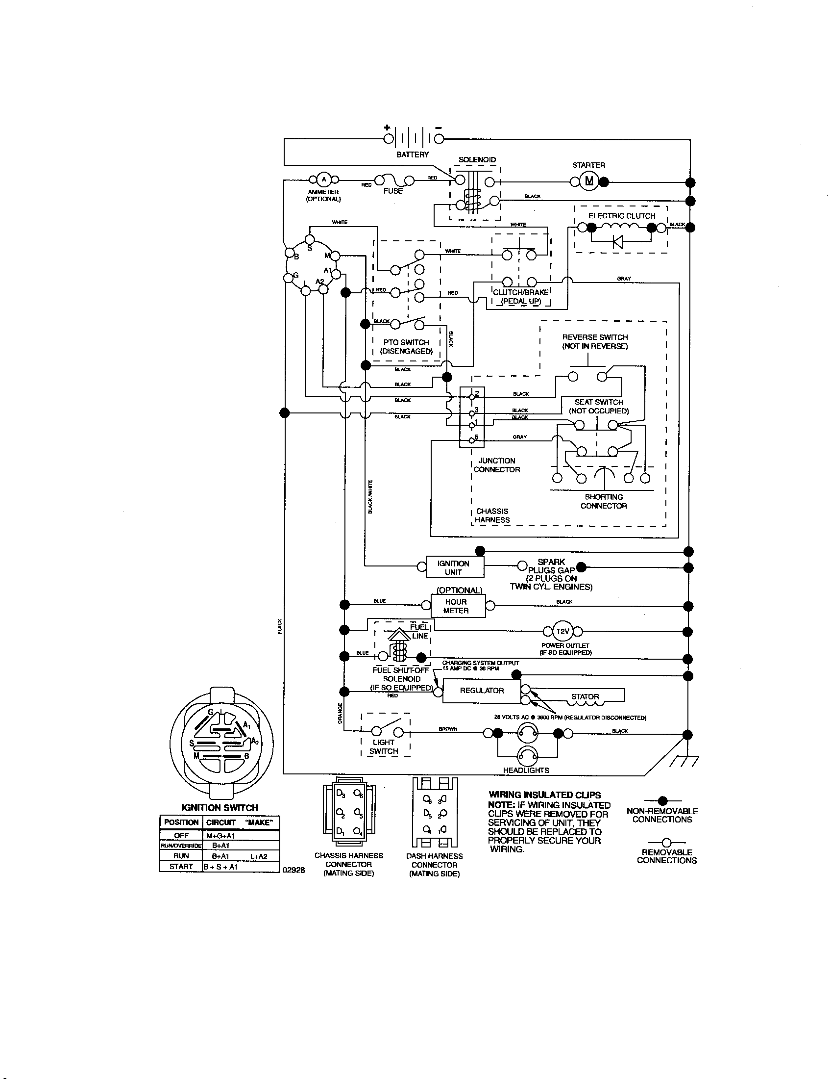
.You almost certainly already know that craftsman 917.271121 riding mower wiring schematic has become the trendiest issues on the net these days. Based on the information we got from google adwords, craftsman 917.271121 riding mower wiring schematic has very much search in google search engine. We feel that craftsman 917.271121 riding mower wiring schematic supply new thoughts or references for followers.
We have located plenty of references regarding craftsman 917.271121 riding mower wiring schematic but we feel this one is the best. I we do hope you would also consider our thoughts. This image has been published by Benson Fannie and is in category tags segment. You may acquire this image by simply clicking on the save button or right click the pic and select save.
We hope what we give to you may be useful. If you wish, you are able to distribute this post for your companion, loved ones, neighborhood, or you can also bookmark this page.









